Laboratorium paliwowo-kotłowe

Prowadzone są działania w celu zbudowania laboratorium paliwowo-kotłowego, będącego jednym ze stanowisk mikrosiłowni kogeneracyjnej, a którego integralną część stanowić będą takie elementy jak np. zbiorniki na różne rodzaje biomasy, układ transportu biomasy, kocioł, reaktor zgazowujący czy instalacja oczyszczania spalin. Ich pracę nadzorować będzie układ pomiarowy, rejestrujący między innymi: temperaturę, ciśnienie, wilgotność, strumienie, parametry paliwa do spalania oraz straty ciepła do otoczenia. Nie będzie to jednak tradycyjny kocioł, ma to być urządzenie wielopaliwowe małej mocy z olejem diatermicznym o maksymalnej temperaturze do 3500°C, co wymaga odpowiedniego przepływomierza (w przypadku przepływomierzy turbinowych powinny być to wersje specjalne). Natomiast reaktor zgazowujący, mimo iż jest urządzeniem coraz częściej pojawiającym się w laboratoriach, stwarza dodatkowe trudności pomiarowe jak np. utrudniony pomiar przepływu i temperatury powstającego gazu generatorowego, wynikający zarówno z temperatury, jak i zmienności składu tego medium. Dodatkowo wspomniane laboratorium zostanie wyposażone w zestawy LDA i PIV do pomiaru pól prędkości wewnątrz wspomnianych urządzeń.

 

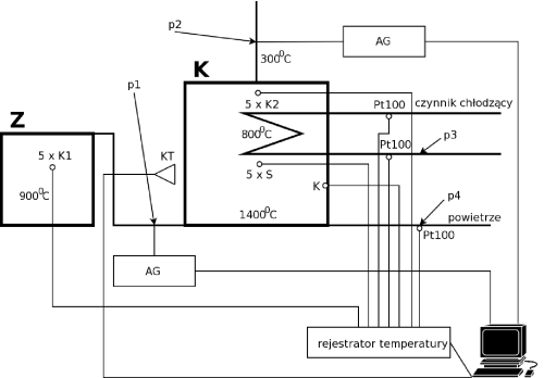
Schemat stanowiska kotłowo-olejowego: K - kocioł, Z - zgazowarka, AG - analizator gazu, KT - kamera termowizyjna, pi - przepływomierze, S - termopary typu S, Ki - termopary typu K, Pt100 - termorezystor.