Prowadzone Badania

Badania naukowe realizowane są w ramach działalności statutowej oraz projektów badawczych. Dodatkowo prowadzone są badania maszyn i urządzeń hydraulicznych w ramach bezpośrednich umów z przemysłem (energetyka wodna).

Badania w ramach działalności statutowej obejmują obecnie:

  1. Analizę wpływu intensywności erozji na proces degradacji materiałów.
  2. Analizę procesu degradacji twardych powłok jedno- i wielowarstwowych wytwarzanych metodą PVD w warunkach kawitacji.
  3. Studia nad mechanizmem degradacji materiałów z wykorzystaniem modeli zmęczeniowych oraz mechaniki pękania.
  4. Modelowanie odporności kawitacyjnej materiałów konstrukcyjnych.
  5. Analiza procesu degradacji hydroabrazyjnej materiałów konstrukcyjnych.

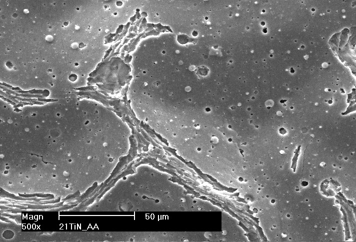
Obraz zniszczeń - powłoka TiN

Obraz zniszczeń - powłoka CrN

1.    Analizę wpływu intensywności erozji na proces degradacji materiałów.
2.    Analizę procesu degradacji twardych powłok jedno- i wielowarstwowych wytwarzanych metodą PVD w warunkach kawitacji.
3.    Studia nad mechanizmem degradacji materiałów z wykorzystaniem modeli zmęczeniowych oraz mechaniki pękania
4.    Modelowanie odporności kawitacyjnej materiałów konstrukcyjnych
5.    Analiza procesu degradacji hydroabrazyjnej materiałów konstrukcyjnych

Infrastruktura laboratoryjna

  1. Tunel kawitacyjny z szczelinowym wzbudnikiem kawitacji


    Stanowisko do badania erozji kawitacyjnej
  2. Stanowisko do badań odporności kawitacyjnej materiałów metodą wirującej tarczy
  3. Stanowisko do badań erozji ściernej w środowisku wodnym (hydroabrazja)


    Stanowisko do badania erozji hydroabrazyjnej
  4. Stanowisko do badań erozji cząstkami stałymi w strudze powietrza


    Stanowisko do badania erozji cząstkami stałymi w strudze powietrza
  5. Stanowisko do badań erozji wywołanej strugą kawitującą / erozją kroplową


    Stanowisko do badania erozji wywołanej strugą kawitującą / erozją kroplową
  6. Mikroskop metalograficzny Neophot wyposażony w kamerę cyfrową Opta-Tech RT-16 wraz z oprogramowaniem
  7. Przecinarka precyzyjna



  8. Szlifierko-polerka laboratoryjna
  9. Chropowatościomierz stykowy Surftest SJ 301P firmy Mitutoyo

  10. Waga analityczna XA 160 (1 klasa dokładności)
  11. Mikrotwardościomierz Falcon 401 firmy INNOVATEST

  12. Piec wysokotemperaturowy